S7-200SMART PLC使用的编程软件为STEP 7-Micro/WIN SMART,可从西门子官网下载到最新版本。
那么如何在该软件上进行项目的新建,双击桌面上的STEP 7-Micro/WIN SMART 软件的快捷方式打开编程软件后,一个命名为“项目1”的空项目会自动创建。
第二步:硬件组态
双击项目树上方的CPU SR40选项,打开“系统块”对话框,选择实际使用的CPU类型
第三步:编写程序
成功新建项目后,主程序编辑界面会自动打开。这里以最常用的梯形图编程语言编写电动门控制系统的程序。
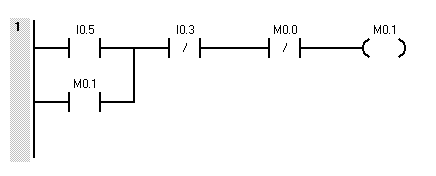
根据电动门PLC控制系统的I/O分配表,编写程序如图所示。下面简要说明此程序的编程逻辑。
当有物体靠近电动门,传感器SQ3信号接通,即PLC中输入信号I0.5导通,在网络1中,中间继电器M0.1线圈导通并自锁保持。同时在网络2中,M0.1常开触点导通,输出信号Q0.1导通,而Q0.1导通时控制电动门的打开,说明此时电动门正在打开,符合系统传感器感应到物体靠近即打开门的控制要求。
那么在网络1和网络2中的其它触点的作用是什么呢?
I0.3的常闭触点为门上限位保护信号,即门开到位后就会自动切断电路,关断Q0.1信号,停止门的继续上升。网络1中的中间继电器M0.0常闭触点也是一个关断电路的信号,这是在网络5中体现出来的,在网络5中,I0.0或者I0.1信号导通任何一个都会使M0.0接通,这样就可以实现手动实现门的开关,所以这里的M0.0常闭触点相当于手动控制的介入需先停止当前自动操作,网络3中的M0.0常闭触点也是一样的功能。对于网络2中的Q0.2常闭触点,它其实是一个互锁的功能,它是为了保证电动机的正常运行而设置的触点,同理网络4中的Q0.1常闭触点也是这个作用。
在网络3中,当I0.3信号导通的同时,定时器T37开始计时,按设定好的时间计时到时后,这里控制要求是1秒钟。那么1秒钟后,T37的常开触点在网络4中接通,同时接触器线圈Q0.2导通,电动门关闭,与控制任务中关门要求符合。

知识点词条:软件设计