注释:
1


在生产和科学试验中,往往需要测量交流电路中的高电压和大电流,这就不能用普通的电压表和电流表直接测量。一是考虑到仪表的绝缘问题,二是直接测量易危及操作人员的人身安全。因此,人们选用变压器将高电压变换为低电压,大电流转变为小电流,然后再用普通的仪表进行测量。这种供测量用的变压器称为仪用互感器,仪用互感器分电压互感器和电流互感器两种。


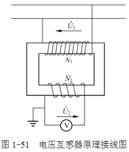
电压互感器实际上是一台小容量的降压变压器。它的一次侧匝数很多,二次侧匝数较少。工作时,一次侧并接在需测电压的电路上,二次侧接在电压表或功率表的电压线圈上。电压互感器的原理接线如图1-51所示。电压互感器二次侧绕组接阻抗很大的电压表,工作时相当于变压器的空载运行状态。测量时用二次侧电压表读数乘以变压比k就可以得到电路的电压值,如果测的电压表是按来刻度,从表上便可直接读出被测电压值。

使用电压互感器必须注意以下几点:
1)电压互感器不能短路,否则将产生很大的电流,导致绕组过热而烧坏。
2)电压互感器的额定容量是对应精确度确定的,在使用时二次侧所接的阻抗值不能小于规定值,即不能多带电压表或电压线圈。否则电流过大,会降低电压互感器的精确度等级。
3)铁心和二次侧线圈的一端应牢固接地,以防止因绝缘损坏时二次侧出现高压,危及操作人员的人身安全。


1-52是电流互感器的原理图,它的一次侧绕组匝数很少,有的只有1匝,二次侧绕组匝数很多。它的一次侧与被测电流的电路串联,二次侧接电流表或瓦特表的电流线圈。

因电流互感器的线圈的阻抗非常小,它串入被测电路对其电流基本上没有影响。电流互感器工作时二次侧所接电流表的阻抗很小,相当于变压器的短路工作状态。

测量时一次侧电流等于电流表测得的电流读数乘以1/k

利用电流互感器可将一次侧电流的范围扩大为1025000A,而二次侧额定电流一般为5A。另外,一次侧绕组还可以有多个抽头,分别用于不同的电流比例。

使用电流互感器必须注意以下几点:
1)电流互感器工作时,二次侧不允许开路。因为开路时,,失去二次侧的去磁作用,一次侧磁势成为励磁磁势,将使铁心中磁通密度剧增。这样,一方面使铁心损耗剧增,铁心严重过热,甚至烧坏;另一方面还会在二次侧绕组产生很高的脉冲电压,有时可达数千伏以上,能将二次侧线圈击穿,还将危及测量人员的安全。在运行中换电流表时,必须先把电流互感器二次侧短接,换好仪表后再断开短路线。
2)二次侧绕组回路串入的阻抗值不得超过有关技术标准的规定,否则将影响电流互感器的精确度。
3)为了安全,电流互感器的二次侧绕组必须牢固接地,以防止绝缘损坏时高压传到二次侧,危及测量人员的人身安全。







知识点词条:互感器






学校名称:

答  题  人:
互感器
关键字:互感器